Продукция

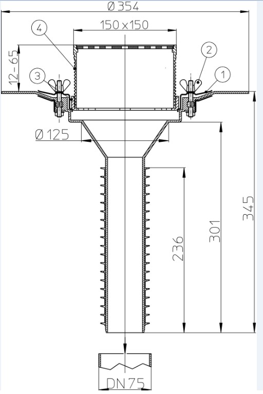
Кровельная воронка с трапом, с обжимным фланцем из нержавеющей стали, с универсальным вертикальным подсоединением к стальным, чугунным и пластиковым трубам DN 75

Технические данные:

Присоединительные размеры:
75
Пропускная способность, л/с:
6.0
Срок службы:
не менее 50 лет
Вес брутто, кг:
2.02
Объем, м3:
0.0570066625
Максимальная разрешенная нагрузка, т:
0.3

Материал составных частей

Гайки:
Нержавеющая сталь
Дренажное кольцо:
Полипропилен
Корпус:
Полипропилен
Надставной элемент:
Полипропилен
Обжимной фланец:
Нержавеющая сталь

HL69B/7

HL0317.1E

HL69K

HL062B.2E

HL062B.3E

HL170

HL350

Удлинитель Ø145 мм для трапов, кровельных воронок и надставного элемента HL350, высотой 155мм

HL160

Дренажный фланец для приёма потока воды с гидроизоляции на инверсионной кровле  Ø170 мм

HL161

Дренажный фланец с переходником, предназначен для соединения лотка с кровельной воронкой на уровне гидроизоляции или соединения воронок серии HL62, HL64 и HL69 с надставными элементами серии HL65

HL635N

Дренажный и инспекционный колодец HL635N для зеленых, гравийных крыш и террас с пластиковой рамой и навинчивающейся пластиковой решеткой. Позволяет легко производить ревизию и проверку водостоков на крыше. Высота изменяется с 68 до 200 мм. Класс нагрузки K3- макс. 300 кг.

HL0635N.2

Решётка из оцинкованной стали для инспекционного и дренажного колодца HL635N(.0). Класс нагрузки L15-A15-макс. 1,5 т.

HL0635N.3

Глухая пластмассовая крышка для дренажного и инспекционного колодца HL635N(.0), разработанная специально для кровель с ограничением скорости отведения дождевой воды.          

HL636N

Удлинитель для дренажного и инспекционного колодца HL635N(.0

HL66

Надставной элемент DN145 с подрамниками из высококачественной стали 150 х 150 мм и решеткой из высококачественной стали 138 х 138 мм с двумя винтами. Общая высота 219 мм, высота подрамника - 15 мм.

HL66Q

Надставной элемент DN145 с подрамниками из высококачественной стали 150 х 150 мм и решеткой "Quadra" из высококачественной стали 138 х 138 мм. Общая высота 150 мм, высота рам - 9 мм.

HL66.1

Надставной элемент DN145 с подрамниками из высококачественной стали (V4A) 150 х 150 мм и решеткой из высококачественной стали (V4A) 138 х 138 мм с двумя винтами, с поверхностью, которая препятствует скольжению. Общая высота - 205 мм, высота подрамников - 15 мм.

HL66P

Надставной элемент DN145 с монтажной консолью 206 х 206 мм из поливинилхлорида для соединения с напольным покрытием из ПВХ, с решеткой из нержавеющей стали 138 х 138 мм. Общая высота - 88 мм, высота рам - 2 мм.

HL67

Надставной элемент DN145 с подрамником из высококачественной стали d 155 мм (V4A) и круглой решеткой d 145 мм. Общая высота - 150 мм, высота рам - 7 мм.

HL350.0

Надставной элемент Ø145 с профилированным фланцем, применяется для подхвата второго уровня гидроизоляции.
Подходит к кровельным воронкам серий HL62, HL64 и HL69.

HL350.1

Надставной элемент d 145 мм с обжимным фланцем, с дренажным кольцом для приема потока воды и комплектом монтажа.
Применяется для подхвата второго уровня гидроизоляции или геотекстиля на инверсионной кровле, высотой 220 мм

HL350.1H

Надставной элемент Ø145 мм с гидроизоляционным полимербитумным полотном Ø500мм.
Применяется для подхвата второго уровня гидроизоляции, высотой монтажа 200мм

HL69P/5

"Ремонтная" кровельная воронка с ПВХ-консолью для DN160

HL69H/5

"Ремонтная" кровельная воронка для DN160 с битумным полотном.

Сертификат соответствия на продукцию HL, каталог 31/RUS

Сертификат соответствия на продукцию HL, каталог 33/RUS

Санитарно-эпидемиологическое заключение на сифоны, трапы, сточные устройства HL

Технические параметры

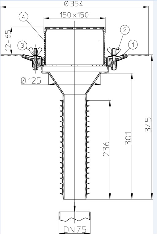
Технические данные:

Присоединительные размеры:
75
Пропускная способность, л/с:
6.0
Срок службы:
не менее 50 лет
Вес брутто, кг:
2.02
Объем, м3:
0.0570066625
Максимальная разрешенная нагрузка, т:
0.3

Материал составных частей

Гайки:
Нержавеющая сталь
Дренажное кольцо:
Полипропилен
Корпус:
Полипропилен
Надставной элемент:
Полипропилен
Обжимной фланец:
Нержавеющая сталь

Паспорт

HL69B/7

Составные части

HL0317.1E

Решетка из нержавеющей стали 138*138 мм

HL69K

Корпус трапов серии 69

HL062B.2E

Надставной элемент из полипропилена Ø 145 мм

HL062B.3E

Дренажное кольцо

HL170

Плоский листвоуловитель для кровельных воронок серии HL62 и HL64

Доп. оборудование

HL350

Удлинитель Ø145 мм для трапов, кровельных воронок и надставного элемента HL350, высотой 155мм

HL160

Дренажный фланец для приёма потока воды с гидроизоляции на инверсионной кровле  Ø170 мм

HL161

Дренажный фланец с переходником, предназначен для соединения лотка с кровельной воронкой на уровне гидроизоляции или соединения воронок серии HL62, HL64 и HL69 с надставными элементами серии HL65

HL635N

Дренажный и инспекционный колодец HL635N для зеленых, гравийных крыш и террас с пластиковой рамой и навинчивающейся пластиковой решеткой. Позволяет легко производить ревизию и проверку водостоков на крыше. Высота изменяется с 68 до 200 мм. Класс нагрузки K3- макс. 300 кг.

HL0635N.2

Решётка из оцинкованной стали для инспекционного и дренажного колодца HL635N(.0). Класс нагрузки L15-A15-макс. 1,5 т.

HL0635N.3

Глухая пластмассовая крышка для дренажного и инспекционного колодца HL635N(.0), разработанная специально для кровель с ограничением скорости отведения дождевой воды.          

HL636N

Удлинитель для дренажного и инспекционного колодца HL635N(.0

HL66

Надставной элемент DN145 с подрамниками из высококачественной стали 150 х 150 мм и решеткой из высококачественной стали 138 х 138 мм с двумя винтами. Общая высота 219 мм, высота подрамника - 15 мм.

HL66Q

Надставной элемент DN145 с подрамниками из высококачественной стали 150 х 150 мм и решеткой "Quadra" из высококачественной стали 138 х 138 мм. Общая высота 150 мм, высота рам - 9 мм.

HL66.1

Надставной элемент DN145 с подрамниками из высококачественной стали (V4A) 150 х 150 мм и решеткой из высококачественной стали (V4A) 138 х 138 мм с двумя винтами, с поверхностью, которая препятствует скольжению. Общая высота - 205 мм, высота подрамников - 15 мм.

HL66P

Надставной элемент DN145 с монтажной консолью 206 х 206 мм из поливинилхлорида для соединения с напольным покрытием из ПВХ, с решеткой из нержавеющей стали 138 х 138 мм. Общая высота - 88 мм, высота рам - 2 мм.

HL67

Надставной элемент DN145 с подрамником из высококачественной стали d 155 мм (V4A) и круглой решеткой d 145 мм. Общая высота - 150 мм, высота рам - 7 мм.

HL350.0

Надставной элемент Ø145 с профилированным фланцем, применяется для подхвата второго уровня гидроизоляции.
Подходит к кровельным воронкам серий HL62, HL64 и HL69.

HL350.1

Надставной элемент d 145 мм с обжимным фланцем, с дренажным кольцом для приема потока воды и комплектом монтажа.
Применяется для подхвата второго уровня гидроизоляции или геотекстиля на инверсионной кровле, высотой 220 мм

HL350.1H

Надставной элемент Ø145 мм с гидроизоляционным полимербитумным полотном Ø500мм.
Применяется для подхвата второго уровня гидроизоляции, высотой монтажа 200мм

Альтернативные варианты

HL69P/5

"Ремонтная" кровельная воронка с ПВХ-консолью для DN160

HL69H/5

"Ремонтная" кровельная воронка для DN160 с битумным полотном.

Сертификаты

Сертификат соответствия на продукцию HL, каталог 31/RUS

от 17.11.2022 г. (действителен до 16.11.2025 г.)

Сертификат соответствия № РОСС АТ.НА39.Н01221 от 17.11.2022 (действителен до 16.11.2025, изготовитель HL Hutterer & Lechner GmbH)

Сертификат соответствия на продукцию HL, каталог 33/RUS

от 05.03.2024 г. (действителен до 04.03.2027 г.)

Сертификат соответствия № РОСС RU.32748.04ЭП30.ОС16.00072 от 05.03.2024 (действителен до 04.03.2027, изготовитель HL Hutterer & Lechner GmbH)

Санитарно-эпидемиологическое заключение на сифоны, трапы, сточные устройства HL

от 15.12.2017 г. (действителен до  г.)

Экспертное заключение (по результатам санитарно-эпидемиологической экспертизы продукции) №2246г/2017 от 15.12.2017 (изготовитель HL Hutterer & Lechner GmbH)

У вас есть вопрос?
Вам нужна помощь?

Напишите, чем мы можем Вам помочь, и Вы получите полную техническую поддержку от наших специалистов!