Продукция

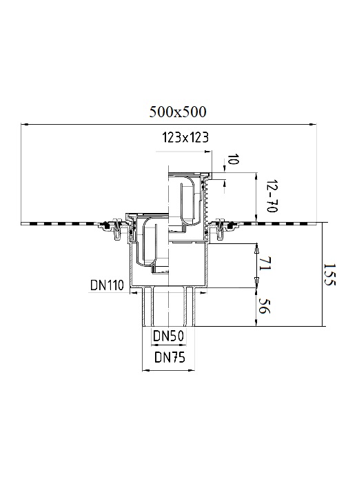
Трап для внутренних помещений с решеткой 115*115 мм в пластиковом подрамнике 123*123 мм, с "сухим" сифоном "Primus", с вертикальным выпуском

Технические данные:

Присоединительные размеры:
DN50/75/110
Пропускная способность, л/с:
0.5
Срок службы:
не менее 50 лет
Вес брутто, кг:
1,728
Объем, м3:
0,0163995
Решетка:
115 x 115 мм
Максимальная разрешенная нагрузка, т:
0.3

Материал составных частей

Корпус:
Полиэтилен/Полимербитумное полотно
Материал решётки:
Нержавеющая сталь
Надставной элемент:
Полипропилен
Подрамник:
Полипропилен
Сифон:
Полипропилен

HL310NHPr

HL181

HL310NKH

HL037N.0E

HL037N.2E

HL2000

HL037Pr.1E

HL85N

Надставной элемент с профилированным фланцем для гидроизоляции, применяется для подхвата второго уровня гидроизоляции

HL85NC

Надставной элемент с резиновым уплотнительным кольцом, с консолью из полимербетона с регулировочными винтами и арматурной сеткой из конструкционной стали, с сеткой из пластика для наклеивания керамических покрытий на тонкий слой мастики

HL85NH

Надставной элемент с резиновым уплотнительным кольцом, с гидроизоляционным полимербитумным полотном d 420 мм для соединения с битумной гидроизоляцией

HL9/7/8

Переходник DN75/DN80 предназначен для соединения канализационного оборудования из пластика, а также безнапорной канализационной трубы из ПВХ или ПП со стальной трубой или с чугунной безраструбной трубой (SML).

HL840

Противопожарная муфта для вертикальных трапов серии HL310 (DN50/75), состоящая из металлического корпуса с расширяющимся материалом и бугелем, с монтажной заглушкой. Предел огнестойкости EI 150

HL9/1

Переходник DN110 c поливинилхлорида (ПВХ), полипропилена (ПП) на чугун, свинец, сталь

HL9/50

Переходник DN50 с поливинилхлорида (ПВХ), полипропилена (ПП) на чугун, свинец, сталь

HL9/50/1

Переходник DN50/110 с поливинилхлорида (ПВХ), полипропилена (ПП) на чугун, свинец, сталь

HL9/7

Переходник DN75 с поливинилхлорида (ПВХ), полипропилена (ПП) на чугун, свинец, сталь

HL9/7/1

Переходник DN75/110 с поливинилхлорида (ПВХ), полипропилена (ПП) на чугун, свинец, сталь

HL340N

Удлинитель для трапов, высотой 100мм

HL310NH

Трап с полимербитумным полотном, решеткой из нержавеющей стали 115*115 мм в пластиковом подрамнике 123*123 мм, высотой гидрозатвора 50мм, Q = 0,67 л/с, с вертикальным выпуском DN 50/75/110

HL310NHPr-3000

Трап с полимербитумным полотном, решеткой из нержавеющей стали 115*115 мм в металлическом подрамнике 121*121 мм, с "сухим" сифоном "Primus", Q = 0,5 л/с, с вертикальным выпуском DN 50/75/110

Сертификат соответствия на продукцию HL российского производства OOO "ХЛ-РУС" каталог 31/RUS

Сертификат соответствия на продукцию HL российского производства OOO "ХЛ-РУС" каталог 33/RUS

Технические параметры

Технические данные:

Присоединительные размеры:
DN50/75/110
Пропускная способность, л/с:
0.5
Срок службы:
не менее 50 лет
Вес брутто, кг:
1,728
Объем, м3:
0,0163995
Решетка:
115 x 115 мм
Максимальная разрешенная нагрузка, т:
0.3

Материал составных частей

Корпус:
Полиэтилен/Полимербитумное полотно
Материал решётки:
Нержавеющая сталь
Надставной элемент:
Полипропилен
Подрамник:
Полипропилен
Сифон:
Полипропилен

Паспорт

HL310NHPr

Составные части

HL181

Плоский листвоуловитель к трапам для балконов и террас серии HL80, HL90 и HL310NK, HL510NK

HL310NKH

Корпус трапа с вертикальным выпуском DN50/75/110 с приварным полимербитумным полотном для лучшего сопряжения с гидроизоляцией на основе битума. В комплекте с монтажной заглушкой.

HL037N.0E

HL037N.2E

HL2000

Cифон "Primus" с высотой гидрозатвора 50 мм, применяется в трапах для предотвращения проникновения запахов из канализации при пересыхании гидрозатвора

HL037Pr.1E

Доп. оборудование

HL85N

Надставной элемент с профилированным фланцем для гидроизоляции, применяется для подхвата второго уровня гидроизоляции

HL85NC

Надставной элемент с резиновым уплотнительным кольцом, с консолью из полимербетона с регулировочными винтами и арматурной сеткой из конструкционной стали, с сеткой из пластика для наклеивания керамических покрытий на тонкий слой мастики

HL85NH

Надставной элемент с резиновым уплотнительным кольцом, с гидроизоляционным полимербитумным полотном d 420 мм для соединения с битумной гидроизоляцией

HL9/7/8

Переходник DN75/DN80 предназначен для соединения канализационного оборудования из пластика, а также безнапорной канализационной трубы из ПВХ или ПП со стальной трубой или с чугунной безраструбной трубой (SML).

HL840

Противопожарная муфта для вертикальных трапов серии HL310 (DN50/75), состоящая из металлического корпуса с расширяющимся материалом и бугелем, с монтажной заглушкой. Предел огнестойкости EI 150

HL9/1

Переходник DN110 c поливинилхлорида (ПВХ), полипропилена (ПП) на чугун, свинец, сталь

HL9/50

Переходник DN50 с поливинилхлорида (ПВХ), полипропилена (ПП) на чугун, свинец, сталь

HL9/50/1

Переходник DN50/110 с поливинилхлорида (ПВХ), полипропилена (ПП) на чугун, свинец, сталь

HL9/7

Переходник DN75 с поливинилхлорида (ПВХ), полипропилена (ПП) на чугун, свинец, сталь

HL9/7/1

Переходник DN75/110 с поливинилхлорида (ПВХ), полипропилена (ПП) на чугун, свинец, сталь

HL340N

Удлинитель для трапов, высотой 100мм

Альтернативные варианты

HL310NH

Трап с полимербитумным полотном, решеткой из нержавеющей стали 115*115 мм в пластиковом подрамнике 123*123 мм, высотой гидрозатвора 50мм, Q = 0,67 л/с, с вертикальным выпуском DN 50/75/110

HL310NHPr-3000

Трап с полимербитумным полотном, решеткой из нержавеющей стали 115*115 мм в металлическом подрамнике 121*121 мм, с "сухим" сифоном "Primus", Q = 0,5 л/с, с вертикальным выпуском DN 50/75/110

Сертификаты

Сертификат соответствия на продукцию HL российского производства OOO "ХЛ-РУС" каталог 31/RUS

от 17.11.2022 г. (действителен до 16.11.2025 г.)

Сертификат соответствия № РОСС.RU.НА39.H001225 от 17.11.2022 (действителен до 16.11.2025, изготовитель ООО "ХЛ-РУС")

Сертификат соответствия на продукцию HL российского производства OOO "ХЛ-РУС" каталог 33/RUS

от 05.03.2024 г. (действителен до 04.03.2027 г.)

Сертификат соответствия № РОСС RU.32748.04ЭП30.ОС16.00073 от 05.03.2024 (действителен до 04.03.2027, изготовитель ООО ХЛ-РУС)

У вас есть вопрос?
Вам нужна помощь?

Напишите, чем мы можем Вам помочь, и Вы получите полную техническую поддержку от наших специалистов!