Продукция

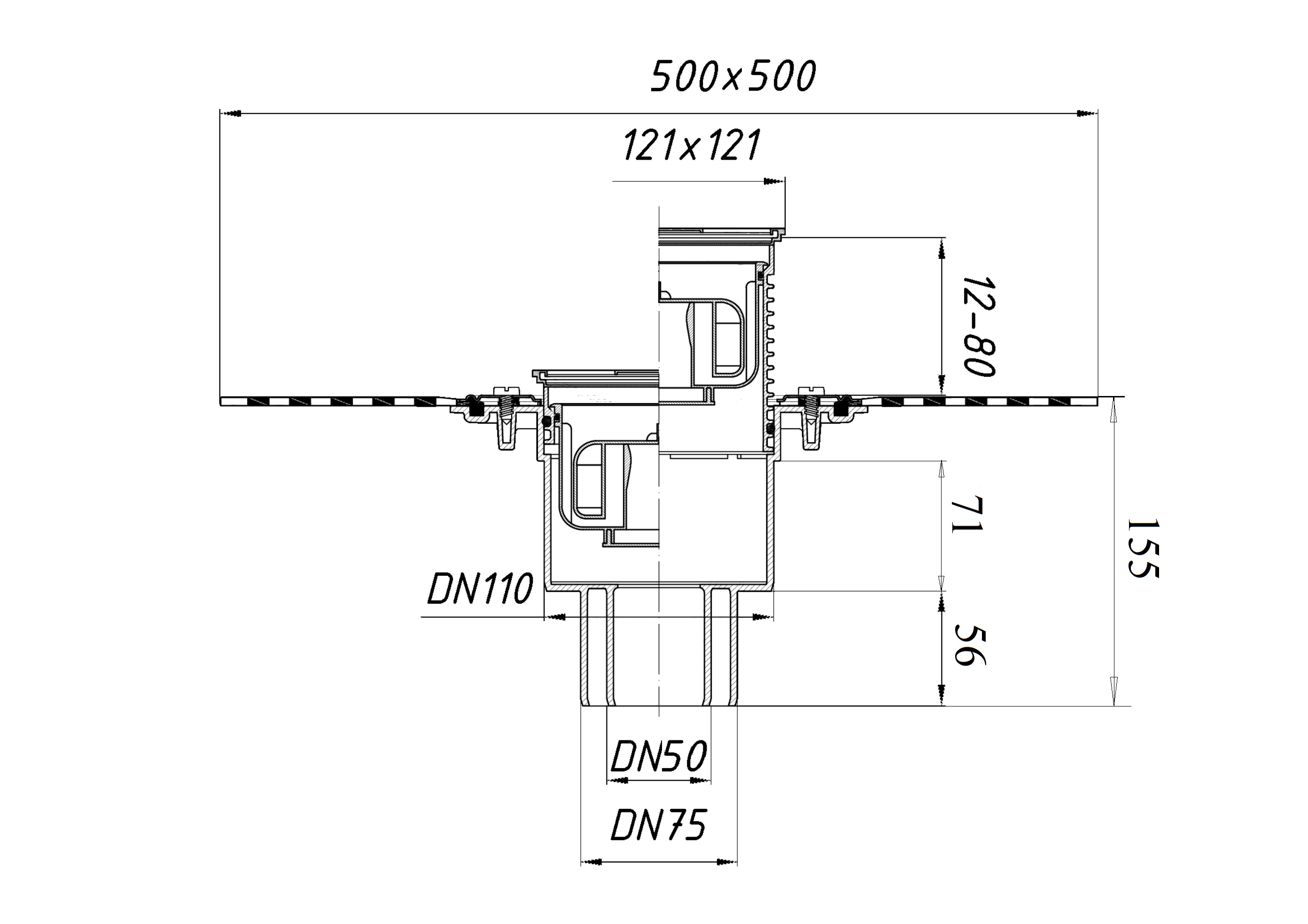
Трап для внутренних помещений с решеткой 115*115 мм в металлическом подрамнике 121*121 мм, высотой гидрозатвора 50мм, с вертикальным выпуском

Технические данные:

Присоединительные размеры:
DN50/75/110
Пропускная способность, л/с:
0.67
Срок службы:
не менее 50 лет
Вес брутто, кг:
1.805
Объем, м3:
0.0163995
Решетка:
115 x 115 мм
Максимальная разрешенная нагрузка, т:
0.3

Материал составных частей

Корпус:
Полиэтилен/Полимербитумное полотно
Материал решётки:
Нержавеющая сталь
Надставной элемент:
Полипропилен
Подрамник:
Нержавеющая сталь
Сифон:
Полипропилен

HL310NH-3000

HL0510.7EKK

HL181

HL3200

HL310NHK

HL037N.0E

HL037Pr.1E

HL3127

Декоративная решётка "Primus Design" 115 x 115 мм для надставного элемента "Klik-Klak", максимальная нагрузка до 1.5 тонн

HL85N

Надставной элемент с профилированным фланцем для гидроизоляции, применяется для подхвата второго уровня гидроизоляции

HL85NC

Надставной элемент с резиновым уплотнительным кольцом, с консолью из полимербетона с регулировочными винтами и арматурной сеткой из конструкционной стали, с сеткой из пластика для наклеивания керамических покрытий на тонкий слой мастики

HL85NH

Надставной элемент с резиновым уплотнительным кольцом, с гидроизоляционным полимербитумным полотном d 420 мм для соединения с битумной гидроизоляцией

HL037Pr.31E

Решетка 115*115 мм  из нержавеющей стали с покрытием "Бронза светлая"

HL037Pr.32E

Решетка 115*115 мм  из нержавеющей стали с покрытием "Бронза"

HL037Pr.33E

Решетка 115*115 мм  из нержавеющей стали с покрытием "Бронза темная"

HL037Pr.11E

Решетка из нержавеющей стали 115*115 мм с покрытием "Золото"

HL9/7/8

Переходник DN75/DN80 предназначен для соединения канализационного оборудования из пластика, а также безнапорной канализационной трубы из ПВХ или ПП со стальной трубой или с чугунной безраструбной трубой (SML).

HL840

Противопожарная муфта для вертикальных трапов серии HL310 (DN50/75), состоящая из металлического корпуса с расширяющимся материалом и бугелем, с монтажной заглушкой. Предел огнестойкости EI 150

HL9/1

Переходник DN110 c поливинилхлорида (ПВХ), полипропилена (ПП) на чугун, свинец, сталь

HL9/50

Переходник DN50 с поливинилхлорида (ПВХ), полипропилена (ПП) на чугун, свинец, сталь

HL9/50/1

Переходник DN50/110 с поливинилхлорида (ПВХ), полипропилена (ПП) на чугун, свинец, сталь

HL9/7

Переходник DN75 с поливинилхлорида (ПВХ), полипропилена (ПП) на чугун, свинец, сталь

HL9/7/1

Переходник DN75/110 с поливинилхлорида (ПВХ), полипропилена (ПП) на чугун, свинец, сталь

HL3120

Декоративная решётка "Квадро" 115 х 115 мм для надставного элемента "Klik-Klak", максимальная нагрузка до 1.5 тонн

HL340N

Удлинитель для трапов, высотой 100мм

HL3121

Декоративная решётка "Сена" 115 х 115 мм для надставного элемента "Klik-Klak", максимальная нагрузка до 1.5 тонн

HL3123

Декоративная решётка "Ориноко" 115 х 115 мм для надставного элемента "Klik-Klak", максимальная нагрузка до 1.5 тонн

HL3124

Декоративная решётка "Нил" 115 х 115 мм для надставного элемента "Klik-Klak", максимальная нагрузка до 1.5 тонн

HL3125

Декоративная решётка "Юкон" 115 х 115 мм для надставного элемента "Klik-Klak", максимальная нагрузка до 1.5 тонн

HL310NH

Трап с полимербитумным полотном, решеткой из нержавеющей стали 115*115 мм в пластиковом подрамнике 123*123 мм, высотой гидрозатвора 50мм, Q = 0,67 л/с, с вертикальным выпуском DN 50/75/110

HL310NHPr-3000

Трап с полимербитумным полотном, решеткой из нержавеющей стали 115*115 мм в металлическом подрамнике 121*121 мм, с "сухим" сифоном "Primus", Q = 0,5 л/с, с вертикальным выпуском DN 50/75/110

HL310NH-3020

Трап с надставным элиментом с подрамником 132х132 мм и вкладышем 112х112 мм для вклеивания керамической плитки. Монтажная высота надставного элемента от 10 до 80 мм, с горизонтальным выпуском

Сертификат соответствия на продукцию HL российского производства OOO "ХЛ-РУС" каталог 31/RUS

Сертификат соответствия на продукцию HL российского производства OOO "ХЛ-РУС" каталог 33/RUS

Технические параметры

Технические данные:

Присоединительные размеры:
DN50/75/110
Пропускная способность, л/с:
0.67
Срок службы:
не менее 50 лет
Вес брутто, кг:
1.805
Объем, м3:
0.0163995
Решетка:
115 x 115 мм
Максимальная разрешенная нагрузка, т:
0.3

Материал составных частей

Корпус:
Полиэтилен/Полимербитумное полотно
Материал решётки:
Нержавеющая сталь
Надставной элемент:
Полипропилен
Подрамник:
Нержавеющая сталь
Сифон:
Полипропилен

Паспорт

HL310NH-3000

Составные части

HL0510.7EKK

Сифон для трапов серии HL310Pr и HL510Pr

HL181

Плоский листвоуловитель к трапам для балконов и террас серии HL80, HL90 и HL310NK, HL510NK

HL3200

HL310NHK

Корпус

HL037N.0E

HL037Pr.1E

Доп. оборудование

HL3127

Декоративная решётка "Primus Design" 115 x 115 мм для надставного элемента "Klik-Klak", максимальная нагрузка до 1.5 тонн

HL85N

Надставной элемент с профилированным фланцем для гидроизоляции, применяется для подхвата второго уровня гидроизоляции

HL85NC

Надставной элемент с резиновым уплотнительным кольцом, с консолью из полимербетона с регулировочными винтами и арматурной сеткой из конструкционной стали, с сеткой из пластика для наклеивания керамических покрытий на тонкий слой мастики

HL85NH

Надставной элемент с резиновым уплотнительным кольцом, с гидроизоляционным полимербитумным полотном d 420 мм для соединения с битумной гидроизоляцией

HL037Pr.31E

Решетка 115*115 мм  из нержавеющей стали с покрытием "Бронза светлая"

HL037Pr.32E

Решетка 115*115 мм  из нержавеющей стали с покрытием "Бронза"

HL037Pr.33E

Решетка 115*115 мм  из нержавеющей стали с покрытием "Бронза темная"

HL037Pr.11E

Решетка из нержавеющей стали 115*115 мм с покрытием "Золото"

HL9/7/8

Переходник DN75/DN80 предназначен для соединения канализационного оборудования из пластика, а также безнапорной канализационной трубы из ПВХ или ПП со стальной трубой или с чугунной безраструбной трубой (SML).

HL840

Противопожарная муфта для вертикальных трапов серии HL310 (DN50/75), состоящая из металлического корпуса с расширяющимся материалом и бугелем, с монтажной заглушкой. Предел огнестойкости EI 150

HL9/1

Переходник DN110 c поливинилхлорида (ПВХ), полипропилена (ПП) на чугун, свинец, сталь

HL9/50

Переходник DN50 с поливинилхлорида (ПВХ), полипропилена (ПП) на чугун, свинец, сталь

HL9/50/1

Переходник DN50/110 с поливинилхлорида (ПВХ), полипропилена (ПП) на чугун, свинец, сталь

HL9/7

Переходник DN75 с поливинилхлорида (ПВХ), полипропилена (ПП) на чугун, свинец, сталь

HL9/7/1

Переходник DN75/110 с поливинилхлорида (ПВХ), полипропилена (ПП) на чугун, свинец, сталь

HL3120

Декоративная решётка "Квадро" 115 х 115 мм для надставного элемента "Klik-Klak", максимальная нагрузка до 1.5 тонн

HL340N

Удлинитель для трапов, высотой 100мм

HL3121

Декоративная решётка "Сена" 115 х 115 мм для надставного элемента "Klik-Klak", максимальная нагрузка до 1.5 тонн

HL3123

Декоративная решётка "Ориноко" 115 х 115 мм для надставного элемента "Klik-Klak", максимальная нагрузка до 1.5 тонн

HL3124

Декоративная решётка "Нил" 115 х 115 мм для надставного элемента "Klik-Klak", максимальная нагрузка до 1.5 тонн

HL3125

Декоративная решётка "Юкон" 115 х 115 мм для надставного элемента "Klik-Klak", максимальная нагрузка до 1.5 тонн

Альтернативные варианты

HL310NH

Трап с полимербитумным полотном, решеткой из нержавеющей стали 115*115 мм в пластиковом подрамнике 123*123 мм, высотой гидрозатвора 50мм, Q = 0,67 л/с, с вертикальным выпуском DN 50/75/110

HL310NHPr-3000

Трап с полимербитумным полотном, решеткой из нержавеющей стали 115*115 мм в металлическом подрамнике 121*121 мм, с "сухим" сифоном "Primus", Q = 0,5 л/с, с вертикальным выпуском DN 50/75/110

HL310NH-3020

Трап с надставным элиментом с подрамником 132х132 мм и вкладышем 112х112 мм для вклеивания керамической плитки. Монтажная высота надставного элемента от 10 до 80 мм, с горизонтальным выпуском

Сертификаты

Сертификат соответствия на продукцию HL российского производства OOO "ХЛ-РУС" каталог 31/RUS

от 17.11.2022 г. (действителен до 16.11.2025 г.)

Сертификат соответствия № РОСС.RU.НА39.H001225 от 17.11.2022 (действителен до 16.11.2025, изготовитель ООО "ХЛ-РУС")

Сертификат соответствия на продукцию HL российского производства OOO "ХЛ-РУС" каталог 33/RUS

от 05.03.2024 г. (действителен до 04.03.2027 г.)

Сертификат соответствия № РОСС RU.32748.04ЭП30.ОС16.00073 от 05.03.2024 (действителен до 04.03.2027, изготовитель ООО ХЛ-РУС)

У вас есть вопрос?
Вам нужна помощь?

Напишите, чем мы можем Вам помочь, и Вы получите полную техническую поддержку от наших специалистов!