Продукция

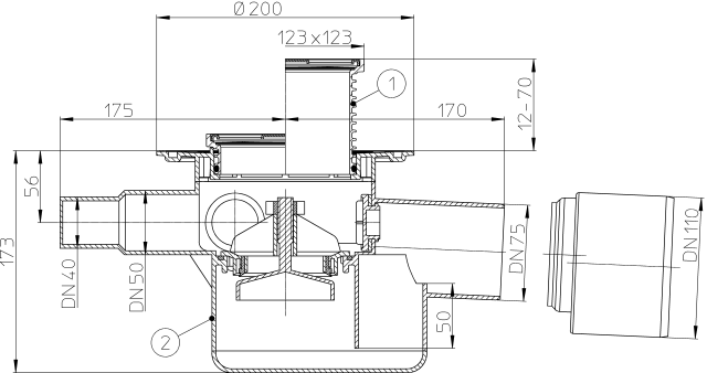
Трап для внутренних помещений с механической задвижкой для предотвращения затопления помещения при возникновении подпора в наружной сети, с решеткой 115*115 мм в подрамнике 123*123 мм, высотой гидрозатвора 50мм, с горизонтальными нормально заглушенными тремя входами и горизонтальным выпуском

Технические данные:

Высота монтажа:
187 мм
Присоединительные размеры:
DN75/110
Пропускная способность, л/с:
1.12
Срок службы:
не менее 50 лет
Вес брутто, кг:
1.546
Дополнительный приёмный патрубок:
3 x DN50/40
Надставной элемент:
12-70 мм/123x123 мм
Объем, м3:
0.022869
Решетка:
115x115 мм
Максимальная разрешенная нагрузка, т:
0.3

Материал составных частей

Корпус:
Полиэтилен
Материал решётки:
Нержавеющая сталь
Надставной элемент:
Полипропилен
Обратный клапан:
Полипропилен
Подрамник:
Полипропилен

HL70

HL037N.1E

HL070.3E

HL0317.4E

HL01067D

HL0300.0EN

HL037N.0E

HL037N.2E

HL85N

Надставной элемент с профилированным фланцем для гидроизоляции, применяется для подхвата второго уровня гидроизоляции

HL85NC

Надставной элемент с резиновым уплотнительным кольцом, с консолью из полимербетона с регулировочными винтами и арматурной сеткой из конструкционной стали, с сеткой из пластика для наклеивания керамических покрытий на тонкий слой мастики

HL85NH

Надставной элемент с резиновым уплотнительным кольцом, с гидроизоляционным полимербитумным полотном d 420 мм для соединения с битумной гидроизоляцией

HL83.0

Гидроизоляционный комплект, состоящий из фланца из нержавеющей стали  196х114 мм с резиновым уплотнительным кольцом и комплекта саморезов

HL83

Гидроизоляционный комплект, состоящий из фланца из нержавеющей стали 196х114 мм с EPDM мембраной 400x400 мм, резинового уплотнительного кольца и комплекта саморезов

HL83.H

Гидроизоляционный комплект, состоящий из обжимной фланец из нержавеющей стали 196 х 114 мм с гидроизоляционным полимербитумным полотном 500 х 500 мм, резинового уплотнительного кольца и комплекта саморезов

HL83.M

Гидроизоляционный комплект, состоящий из фланца из нержавеющей стали 196 x 114 мм, резинового уплотнительного кольца, полотна из термопластичного эластомера 400 х 400 мм для наклеивания керамических покрытий на тонкий слой мастики или нанесения двухкомпонентной эпоксидной смолы и комплекта саморезов

HL83.P

Гидроизоляционный комплект для мембран ПВХ d 287 мм, включающий винты (6 шт.) и уплотнительное кольцо.

HL9/1

Переходник DN110 c поливинилхлорида (ПВХ), полипропилена (ПП) на чугун, свинец, сталь

HL9/7

Переходник DN75 с поливинилхлорида (ПВХ), полипропилена (ПП) на чугун, свинец, сталь

HL9/7/1

Переходник DN75/110 с поливинилхлорида (ПВХ), полипропилена (ПП) на чугун, свинец, сталь

HL180

Дренажный фланец d 110 мм для приема потока воды с гидроизоляции в инверсионной кровле

HL340N

Удлинитель для трапов, высотой 100мм

HL70G

Трап для внутренних помещений DN75/110 горизонтальный с предохранительным затвором обратного потока воды (автоматически действующий и механически регулируемый), с прочисткой, тремя входными отверстиями DN50/40, со снимаемой насадкой из ПЭ 34 - 78 мм, чугунными подрамниками 150 х 150 мм и чугунной решеткой 137 х 137 мм. Строительная защита во время монтажа в комплекте.

Сертификат соответствия на продукцию HL, каталог 33/RUS

Санитарно-эпидемиологическое заключение на сифоны, трапы, сточные устройства HL

Технические параметры

Технические данные:

Высота монтажа:
187 мм
Присоединительные размеры:
DN75/110
Пропускная способность, л/с:
1.12
Срок службы:
не менее 50 лет
Вес брутто, кг:
1.546
Дополнительный приёмный патрубок:
3 x DN50/40
Надставной элемент:
12-70 мм/123x123 мм
Объем, м3:
0.022869
Решетка:
115x115 мм
Максимальная разрешенная нагрузка, т:
0.3

Материал составных частей

Корпус:
Полиэтилен
Материал решётки:
Нержавеющая сталь
Надставной элемент:
Полипропилен
Обратный клапан:
Полипропилен
Подрамник:
Полипропилен

Паспорт

HL70

Составные части

HL037N.1E

Решетка из нержавеющей стали 115*115 мм

HL070.3E

для трапа HL70

HL0317.4E

Переходник

HL01067D

HL0300.0EN

HL037N.0E

HL037N.2E

Доп. оборудование

HL85N

Надставной элемент с профилированным фланцем для гидроизоляции, применяется для подхвата второго уровня гидроизоляции

HL85NC

Надставной элемент с резиновым уплотнительным кольцом, с консолью из полимербетона с регулировочными винтами и арматурной сеткой из конструкционной стали, с сеткой из пластика для наклеивания керамических покрытий на тонкий слой мастики

HL85NH

Надставной элемент с резиновым уплотнительным кольцом, с гидроизоляционным полимербитумным полотном d 420 мм для соединения с битумной гидроизоляцией

HL83.0

Гидроизоляционный комплект, состоящий из фланца из нержавеющей стали  196х114 мм с резиновым уплотнительным кольцом и комплекта саморезов

HL83

Гидроизоляционный комплект, состоящий из фланца из нержавеющей стали 196х114 мм с EPDM мембраной 400x400 мм, резинового уплотнительного кольца и комплекта саморезов

HL83.H

Гидроизоляционный комплект, состоящий из обжимной фланец из нержавеющей стали 196 х 114 мм с гидроизоляционным полимербитумным полотном 500 х 500 мм, резинового уплотнительного кольца и комплекта саморезов

HL83.M

Гидроизоляционный комплект, состоящий из фланца из нержавеющей стали 196 x 114 мм, резинового уплотнительного кольца, полотна из термопластичного эластомера 400 х 400 мм для наклеивания керамических покрытий на тонкий слой мастики или нанесения двухкомпонентной эпоксидной смолы и комплекта саморезов

HL83.P

Гидроизоляционный комплект для мембран ПВХ d 287 мм, включающий винты (6 шт.) и уплотнительное кольцо.

HL9/1

Переходник DN110 c поливинилхлорида (ПВХ), полипропилена (ПП) на чугун, свинец, сталь

HL9/7

Переходник DN75 с поливинилхлорида (ПВХ), полипропилена (ПП) на чугун, свинец, сталь

HL9/7/1

Переходник DN75/110 с поливинилхлорида (ПВХ), полипропилена (ПП) на чугун, свинец, сталь

HL180

Дренажный фланец d 110 мм для приема потока воды с гидроизоляции в инверсионной кровле

HL340N

Удлинитель для трапов, высотой 100мм

Альтернативные варианты

HL70G

Трап для внутренних помещений DN75/110 горизонтальный с предохранительным затвором обратного потока воды (автоматически действующий и механически регулируемый), с прочисткой, тремя входными отверстиями DN50/40, со снимаемой насадкой из ПЭ 34 - 78 мм, чугунными подрамниками 150 х 150 мм и чугунной решеткой 137 х 137 мм. Строительная защита во время монтажа в комплекте.

Сертификаты

Сертификат соответствия на продукцию HL, каталог 33/RUS

от 05.03.2024 г. (действителен до 04.03.2027 г.)

Сертификат соответствия № РОСС RU.32748.04ЭП30.ОС16.00072 от 05.03.2024 (действителен до 04.03.2027, изготовитель HL Hutterer & Lechner GmbH)

Санитарно-эпидемиологическое заключение на сифоны, трапы, сточные устройства HL

от 15.12.2017 г. (действителен до  г.)

Экспертное заключение (по результатам санитарно-эпидемиологической экспертизы продукции) №2246г/2017 от 15.12.2017 (изготовитель HL Hutterer & Lechner GmbH)

У вас есть вопрос?
Вам нужна помощь?

Напишите, чем мы можем Вам помочь, и Вы получите полную техническую поддержку от наших специалистов!