Продукция

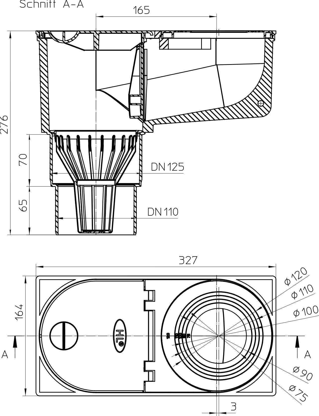
Трап DN110/125 для отвода в ливневую канализацию воды от наружных ливнестоков, с ловушкой для листвы и морозоустойчивым незамерзающим запахозапирающим устройством, Q=6,6 л/с, лючком для прочистки, с вертикальным входом через упрощенное кольцо из ПП под трубы наружных ливнестоков Ø75/90/100/110

Технические данные:

Присоединительные размеры:
DN110/125
Пропускная способность, л/с:
6.6
Срок службы:
не менее 50 лет
Вес брутто, кг:
1,04
Объем, м3:
0,015708

Материал составных частей

Запахозапирающее устройство:
Полипропилен
Корпус:
Полипропилен
Листвоуловитель:
Полипропилен

HL660E

HL0600.10E

HL0600.3E

HL0600.4E

HL660K

HL0600.02E

HL601

Надставной элемент для дождеприемника HL600, позволяющий нарастить трап на высоту до 50мм

HL600N

Дождеприёмник для приема воды из наружных ливнестоков DN110/125 с поворотным шарниром, с морозоустойчивым запахозапирающим устройством, листвоуловителем, с лючком-прочисткой, с переходником для подсоединения к водосточной трубе, с высокой пропускной способностью с двумя шарнирными соединениями

HL600NG

Дождеприёмник для приема воды из наружных ливнестоков с видимыми частями из чугуна с поворотным шарниром DN110/125, с морозоустойчивым запахозапирающим устройством, листвоуловителем, с лючком-прочисткой, с высокой пропускной способностью

HL600NGHO

Дождеприёмник для приема воды из наружных ливнестоков DN110/125 с горизонтальным входным патрубком для декоративной облицовки фасадов, с видимыми частями из чугуна,  с поворотным шарниром, с морозоустойчивым запахозапирающим устройством, листвоуловителем, с лючком-прочисткой

HL600NHO

Дождеприёмник для приема воды из наружных ливнестоков DN110/125 с горизонтальным входным патрубком для декоративной облицовки фасадов с поворотным шарниром, с морозоустойчивым запахозапирающим устройством, листвоуловителем, с лючком-прочисткой

HL660/2

Трап для отвода в ливневую канализацию воды от наружных ливнестоков с вертикальным выпуском DN110/125, с морозоустойчивым запахозапирающим устройством, лючком для прочистки, листвоуловителем и наборными кольцами d 75 - 110мм

HL660/2-80

Трап для отвода в ливневую канализацию воды от наружных ливнестоков с вертикальным выпуском DN110/125, с морозоустойчивым запахозапирающим устройством, лючком для прочистки, листвоуловителем и наборными кольцами d 80мм

Сертификат соответствия на продукцию HL, каталог 33/RUS

Санитарно-эпидемиологическое заключение на сифоны, трапы, сточные устройства HL

Технические параметры

Технические данные:

Присоединительные размеры:
DN110/125
Пропускная способность, л/с:
6.6
Срок службы:
не менее 50 лет
Вес брутто, кг:
1,04
Объем, м3:
0,015708

Материал составных частей

Запахозапирающее устройство:
Полипропилен
Корпус:
Полипропилен
Листвоуловитель:
Полипропилен

Паспорт

HL660E

Составные части

HL0600.10E

HL0600.3E

Лючок-прочистка

HL0600.4E

Запахозапирающая заслонка

HL660K

Корпус

HL0600.02E

Листвоуловитель

Доп. оборудование

HL601

Надставной элемент для дождеприемника HL600, позволяющий нарастить трап на высоту до 50мм

Альтернативные варианты

HL600N

Дождеприёмник для приема воды из наружных ливнестоков DN110/125 с поворотным шарниром, с морозоустойчивым запахозапирающим устройством, листвоуловителем, с лючком-прочисткой, с переходником для подсоединения к водосточной трубе, с высокой пропускной способностью с двумя шарнирными соединениями

HL600NG

Дождеприёмник для приема воды из наружных ливнестоков с видимыми частями из чугуна с поворотным шарниром DN110/125, с морозоустойчивым запахозапирающим устройством, листвоуловителем, с лючком-прочисткой, с высокой пропускной способностью

HL600NGHO

Дождеприёмник для приема воды из наружных ливнестоков DN110/125 с горизонтальным входным патрубком для декоративной облицовки фасадов, с видимыми частями из чугуна,  с поворотным шарниром, с морозоустойчивым запахозапирающим устройством, листвоуловителем, с лючком-прочисткой

HL600NHO

Дождеприёмник для приема воды из наружных ливнестоков DN110/125 с горизонтальным входным патрубком для декоративной облицовки фасадов с поворотным шарниром, с морозоустойчивым запахозапирающим устройством, листвоуловителем, с лючком-прочисткой

HL660/2

Трап для отвода в ливневую канализацию воды от наружных ливнестоков с вертикальным выпуском DN110/125, с морозоустойчивым запахозапирающим устройством, лючком для прочистки, листвоуловителем и наборными кольцами d 75 - 110мм

HL660/2-80

Трап для отвода в ливневую канализацию воды от наружных ливнестоков с вертикальным выпуском DN110/125, с морозоустойчивым запахозапирающим устройством, лючком для прочистки, листвоуловителем и наборными кольцами d 80мм

Сертификаты

Сертификат соответствия на продукцию HL, каталог 33/RUS

от 05.03.2024 г. (действителен до 04.03.2027 г.)

Сертификат соответствия № РОСС RU.32748.04ЭП30.ОС16.00072 от 05.03.2024 (действителен до 04.03.2027, изготовитель HL Hutterer & Lechner GmbH)

Санитарно-эпидемиологическое заключение на сифоны, трапы, сточные устройства HL

от 15.12.2017 г. (действителен до  г.)

Экспертное заключение (по результатам санитарно-эпидемиологической экспертизы продукции) №2246г/2017 от 15.12.2017 (изготовитель HL Hutterer & Lechner GmbH)

У вас есть вопрос?
Вам нужна помощь?

Напишите, чем мы можем Вам помочь, и Вы получите полную техническую поддержку от наших специалистов!